
什么是自锁、互锁?自锁互锁工作原理与电路图
354x216 - 38KB - PNG

接触器自锁和互锁是怎么接的(最好带上图)
479x462 - 25KB - JPEG

什么是电气互锁?自锁?以及常见自锁电路
405x291 - 9KB - JPEG

谁知道plc自锁和互锁的原理
500x375 - 9KB - JPEG

手动变速器自锁互锁装置PPT_word文档在线阅
1080x810 - 108KB - JPEG

什么是自锁、互锁?自锁互锁工作原理与电路图
656x420 - 356KB - PNG

什么是自锁、互锁?自锁互锁工作原理与电路图
643x361 - 285KB - PNG

自锁和互锁
419x276 - 9KB - JPEG

自锁与互锁的作用原理图解
534x273 - 10KB - JPEG

自锁互锁是什么意思点动自锁互锁接线图解- 电
646x657 - 76KB - JPEG

琴键互锁开关、电源互锁开关、按键自锁开关
858x489 - 67KB - JPEG

什么是电气互锁?自锁?以及常见自锁电路
422x294 - 9KB - JPEG
电工最基础的控制原理,接触器自锁互锁实物、
640x314 - 11KB - JPEG

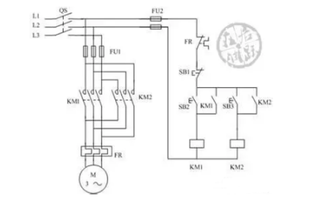
接触器自锁互锁接线图
851x652 - 321KB - PNG

自锁互锁电路实物图求高手帮助:按钮,接触器双
680x414 - 7KB - PNG