猫叫声驱鼠在线播放

猫叫声驱鼠在线播放相关图片

猫叫声打包下载|猫叫声驱鼠mp3下载
554x480 - 32KB - JPEG

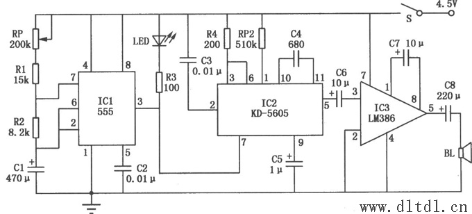
电路中的kd5605猫叫声模拟电路并不好找
708x349 - 33KB - GIF

【家用电子猫】_家用电子猫
300x300 - 18KB - JPEG

电子驱鼠器电路图四
650x285 - 31KB - GIF

【家用电子猫】_家用电子猫
300x300 - 24KB - JPEG

电子驱鼠器电路图二
650x331 - 39KB - GIF

猫的叫声,咪咪叫(猫叫声),悄悄接近猎物,
798x1200 - 726KB - JPEG

电子仿声驱鼠器
613x348 - 44KB - JPEG

伊贝743儿童益智万向电动猫\/发猫叫声和
750x750 - 154KB - JPEG

超声波驱蚊
300x300 - 74KB - JPEG

【图】驱鼠器电路基础电路 电路图 维库
674x361 - 46KB - JPEG

模拟三色眼电子猫电路图
592x437 - 169KB - JPEG

驱鼠电子猫
680x308 - 58KB - JPEG

猫猫叫app下载_猫猫叫安卓版下载v2.1.0_
340x566 - 23KB - JPEG

太阳,在上面,寒冷,野生动物,户外_78317537
507x337 - 38KB - JPEG

猫叫声驱鼠在线播放相关问答

暂无相关问答

大家都在看

相关专题