插头规格

插头规格相关图片

电源规格及插头插座类别大搜索
550x844 - 58KB - JPEG

扣件,快锁插销,安全销技术参数及规格表
862x327 - 123KB - JPEG

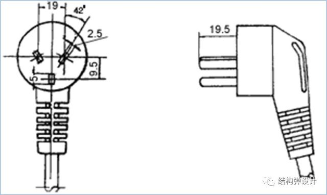
各国电源插头类型与尺寸设计标准
640x382 - 15KB - JPEG

插头、插座、电缆规范_USB开发网-百合 .
650x865 - 101KB - PNG

各国电源插头类型与尺寸设计标准
640x233 - 15KB - JPEG

转换插座澳门香港版充电美规插头【图片 .
750x360 - 76KB - JPEG

10kV肘型插头_肘型电缆头_电缆肘型头_10
800x273 - 50KB - JPEG

世界各国电压及插头规格一览表_word文档
905x683 - 119KB - JPEG

Rexroth 力士乐插头 接线盒
309x385 - 51KB - JPEG

世界各国电压及_插头规格一览表_word
825x1007 - 182KB - JPEG

世界各国电源电压和插头规格表_word文档
803x1033 - 162KB - JPEG

ST105-02HP型二极带保护插头-[报价-资料]-
363x166 - 10KB - JPEG

两芯巴西电源线巴西认证插头电源线规格-
700x302 - 59KB - JPEG

mini usb 5p的插头尺寸标准- 无图版电线
291x350 - 14KB - JPEG

电源适配器音叉和直插DC插头常见规格
455x778 - 11KB - PNG

插头规格相关问答

暂无相关问答

大家都在看

相关专题