天天特价
头条资讯
天猫超市
天猫国际
聚划算
淘宝直播
淘宝秒杀
国家补贴
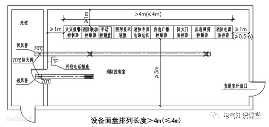
消防控制室设置要求
消防控制室设置要求的相关文章
非艺术生怎么考表演系_舞蹈生标准身材和身高
师德师风自查个人报告_2018第一学期教师师德师风自查报告
雪莉ktv照片事件_雪莉的照片
头条刷粉丝神器_新浪微博刷粉丝神器
手机支持5g就能_ 雷军:明年两千元以上的小米手机都支持5G,至少有10款
sony sbh70停产了吗_比亚迪元为啥要停产
隐形眼镜寄生虫_隐形眼睛在眼睛里不见了
科创板上市多少开头_ 辅导企业将上市!山东要建立科创板上市企业培育库
荷兰改名尼德兰2019_ 为了旅游业!荷兰改名尼德兰原因:Holland只是两省统称无法代表整个国家
陕西蒲城一般彩礼多钱_陕西蒲城房价
2020黄金金价_ 英国脱欧意外剧情令英镑大跌、金价反弹 黄金、欧元、澳元和纽元最新交易操作策略
重生之都市魔尊叶玄_重生之都市魔尊白易
吉娜粘着郎朗_吉娜不想上老公郎朗的课,使出各种小手段没有成功,真是太可爱了_【快资讯】
演员请就位郭敬明事件_演员请就位郭敬明给康可人鄂靖文零分引争议,为啥他偏爱金靖_【快资讯】
人民币对秘鲁比索汇率_比索兑换人民币换算器
济南市莱芜区何时挂牌_济南市莱芜区挂牌
俄罗斯妹子画师展示《攻壳机动队》最新动画人设图 4月网飞独占开播
乐高:今年的增长仍将由中国推动,中国计划将其在中国的门店增加60%,至220家
柏林时间_柏林时间与北京时间对照表
风云年代电视剧全集在线播放_风云小说全集
大家都在看
相关专题