lm324放大电路_直流放大电路

lm324放大电路相关图片

LM324话筒放大电路--lm324 microphone
720x460 - 37KB - JPEG

lm324图片
1058x435 - 13KB - PNG

LM324组成的同相交流放大电路
695x345 - 106KB - JPEG

如何用LM324放大? - 维库电子市场网
639x313 - 219KB - PNG

LM324四运算放大电路
408x289 - 51KB - JPEG

11款lm324典型应用电路图汇总(电压参考\/
413x264 - 33KB - PNG

lm324的基本放大电路放大40k的幅值为0.1v
600x427 - 14KB - JPEG

【图】LM324四运算放大电路基础电路
408x289 - 25KB - JPEG

LM324引脚图及电路应用
363x265 - 12KB - GIF

音频放大电路实验报告大学物理实验报告的
1008x442 - 108KB - PNG

运算放大电路中的LM324四运放电路图- 将睿
800x328 - 40KB - JPEG

用UA741的直接耦合音频功率放大器电路_
409x410 - 31KB - JPEG

基于LM324的四运算放大电路
408x289 - 46KB - JPEG

光电耦合器在音频放大电路中的典型应用
973x510 - 31KB - JPEG

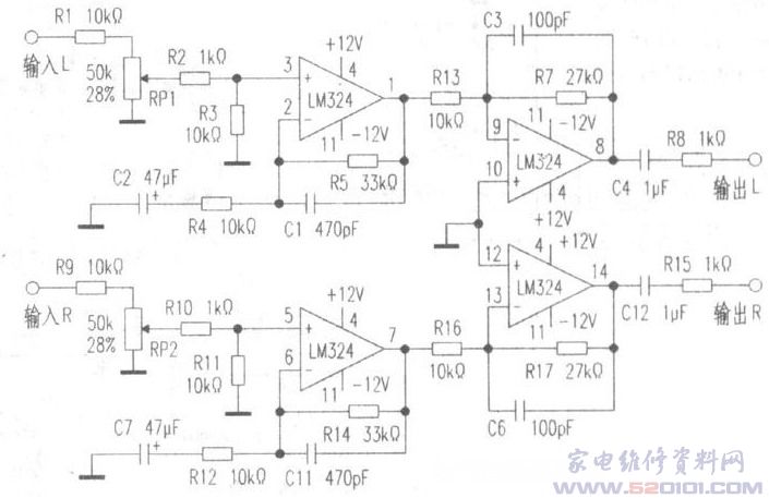
LM324话筒放大电路- 家电维修资料网
705x457 - 41KB - JPEG

lm324放大电路相关问答

LM324组成的放大电路为什么不放大???
答:以便让信号在虚地的基础上变化。 另外,你的电路结构是反向比例放大,放大倍数是10倍 再者,由于放大倍数是10,所以信号电压最好不要过高,因为324这个IC本来就不是很好,性
LM324运放放大器比较电路有什么功能,它由哪几部分组成?
答:LM324运放:内有四个独立的高增益、频率补偿运算放大器。既可接单电源使用(3---30V),也可接双电源使用(正负1.5V----正负15V)驱动功耗低,高阻抗差动放大器。
LM324电流放大电路图
答:这个芯片是放大器,是放大电压的,电源应该比所要放大电压的最大值要高几伏的样子,要实现电流放大,直接用三极管不就可以了吗?
求个LM324的放大电路
答:你的超声波频率是多少? 1、LM324的带宽1M左右,是否会受到带宽限制? 2、超声波是交流信号,因此,LM324需要双电源供电,否则,信号会被截掉一半。
谁有LM324的10倍放大电路?
答: 楼上的不适合在线我说给你听。
下图LM324运算放大器的电路是什么意思,是实现什么功能的
答:集成块M324是一只四个独立单元的放大电路,也称四运放,实用性非常普遍广泛,可根据设计要求通过改变外围元器件的值与连接方式,可以输入多种信号来达到使用目的,交流、直
求帮忙看一个最基本的LM324放大电路
答:即使把输入信号电压再增加或者是把放大倍数再提高也无济于事。你换用满电源幅度输出的运放,例如TLC2254、TLC2264、TLC2274等型号就可以解决。LM324的部分指标(
lm324做直流放大电路,你看我这电路行么?为什么输出不变化呢
答:有一定的关系,具体公式得看什么电路
交流毫伏表用lm324放大电路增益100倍,阻抗大于200K,频率30
答:如下图,其中LM324工作电源电压范围±1.5V~±16V,R2:R1=100,电容用1μ的钽电容或独石电容即可.如果你的“频率30~300K”是指30Hz~300kHz,而不是30kHz~300kHz,那么
谁有lm324的电压放大电路图吗 我起码要放大1000倍的那种 一
答:会把输入信号淹没掉。做交流放大则相对容易一些,在这个电路的基础上再增加一级就好了。 不过,这个电路的前级放大输入电阻选择可能也有一些问题,因为LM324的输入偏

大家都在看

相关专题