12v逆变器电路图_12v充电器电路图

12v逆变器电路图相关图片

自制12v逆变器电路图(第1页) - 图说健康
640x395 - 30KB - JPEG

自制12v逆变器电路图(第1页) - 图说健康
731x500 - 67KB - JPEG

自制12V转交流220V逆变器_电路图_电子产品世界
539x448 - 95KB - JPEG

教你做个12V转220V的逆变器,电路简单使用元件最少
640x395 - 68KB - JPEG

12V转交流220V逆变器电路图-逆变电源电路图-电子产品世界
589x362 - 51KB - JPEG

自制12v变220v的逆变器的简单电路
500x219 - 26KB - PNG

电网停止供电了该怎么办!教你用三个元件做一个12v转220v逆变器
600x244 - 61KB - PNG

电网停止供电了该怎么办!教你用三个元件做一个12v转220v逆变器
600x433 - 55KB - PNG

自制6V转交流220V逆变器电路图_电路图_电子产品世界
239x197 - 23KB - JPEG

一款能够将 DC12V直流电转换为AC220V交流电的常见车载逆变器电路图
288x364 - 27KB - JPEG

大功率12V-230V正弦波逆变器电路图_电路图_电子产品世界
1650x1130 - 678KB - JPEG

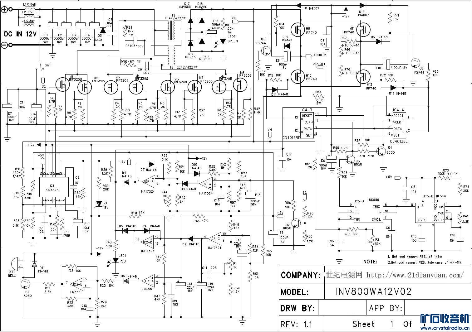
太阳能电池发电的好伴侣,全新12v转220v 800w逆变器清仓特价处理 - 〓器材友情交换〓 - 矿石收音机论坛
1512x1065 - 295KB - JPEG

200W负荷的SG3525逆变器电路图-其他电源电路图-电子产品世界
824x605 - 99KB - JPEG

逆变器电路13-逆变电源电路图
1554x859 - 175KB - JPEG

汽车逆变器电路图
339x203 - 49KB - JPEG

12v逆变器电路图相关问答

12v大功率逆变电源电路图
答: 抱歉,您今天上传的图片数量已超过10张,该图片不能提交 下午可以发图
我要输入12V输出220V的逆变器电路图
答:我给你, 这个我做过,效率高,是双变自激的电路,特点好做,高频变压器你可以选ee33磁芯!功率都有200多瓦了,祝你成功!!
12v转380v逆变器电路图
答:向左转|向右转推荐你用EGS002来做,电路在此
求输入小于12v输出大于12v逆变器电路图
答:上面的是3-13V输入的。输出为15V  下图是3-13V输入。输出可调。调VR1可以改变输出电压:12-15V 希望能帮到你哦!如还有问题也可以直接与我联系!
那位仁兄,有12V变50V逆变器电路图,谢谢了!急。
答:就是有12V变50V逆变器电路图也没有解决你的问题,电池充电电路不单单是一个电源,还需要其它辅助电路的。例如充电满了就要介素充电等。
紧急 求12v逆变电源电路图 要求输出信号50hz正弦波 电压范围
答:不讲究效率的话,做个正弦波振荡器,再加一个功放,负载接变压器,输出220V,采用定压式功放。
12V逆变器电路图,高手看看这个图能做成吗
答:这个图是可以工作的,效果比现在的芯片控制电路差得多。建议搜索{电源网论坛首页}那里具有许多图纸可以参考。
逆变器12v转250w电路图 请问变压器用什么型号的 多少伏的,还
答:变压器用ee55或者硅钢片的就行啊,自己绕的,上面有参数 。二极管用耐流大的就行,不用具体型号
逆变器12v变220v电路图用555作振荡
答:逆变器电路原理图资源非常丰富,在网上搜索并选择合适的功率的即可。通常逆变器的输 如12V逆变器必须选择12V蓄电池。 2)逆变器输出功率必须大于用电器的最大功率; 尤其
求自制12V转220V逆变器的详细电路图,带原件及数据名
答:1、12V转220V逆变器的详细电路图如下:2、逆变器是把直流电能(电池、蓄电瓶)转变成交流电(一般为220V,50Hz正弦波)的设备。它由逆变桥、控制逻辑和滤波电路组成。3、

大家都在看

相关专题