
传感器的种类及今后的发展趋势_市场分析_行
615x215 - 17KB - JPEG

喷码机安全传感器组成部分及功能简介 - 技术_
457x318 - 25KB - JPEG

【14款神行者二胎压传感器的组成】价格、产
600x500 - 35KB - JPEG

T-121温度传感器构成温度控制电路
814x512 - 42KB - JPEG

空调温度传感器的构成、工作原理及作用
600x338 - 35KB - JPEG

传感器结构组成图
560x300 - 28KB - JPEG

德国TURCK图尔克光电传感器的构成?_德国T
278x300 - 19KB - JPEG

光栅位移传感器构成的测控系统软件设计.pdf
800x1131 - 89KB - PNG

【图】压阻式压力传感器组成的温度补偿电路图
991x573 - 119KB - JPEG

第9章光导纤维与光纤传感器解释.ppt
1152x864 - 590KB - PNG

矿浆流量计厂
500x252 - 43KB - JPEG

安徽马鞍山气体传感器和无线co2传感器重要组
230x230 - 8KB - JPEG

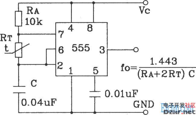
555与精密温度传感器构成的温度频率变换电路
649x381 - 31KB - JPEG

红外传感器的组成及高灵敏、低功耗红外线传感
946x659 - 117KB - PNG

光纤电流传感器原理
470x378 - 28KB - JPEG
无线传感器网络•无线传感器网络(WirelessSensorNetworks,WSN)是由大量部署在作用区域内的、具有无线通信与计算能力的微小传感器节点通过自组织方式构成的能根据环
.传感器的组成 传感器一般由敏感冗件、转换元件和转换电路 3 部分组成 (1) 敏感元件 敏感 yG 件是传感器中能且接感受被测量的部分,即直接感受被 测量,并输 11l 与被测量成确
简介:传感器(英文名称:transducer/sensor)是一种检测装置,能感受到被测量的信息,并能将感受到的信息,按一定规
传感器组成 461725264jing|2018-07-01 |举报 专业文档 专业文档是百度文库认证用户/机构上传的专业性文档,文库VIP用户或购买专业文档下载特权礼包的其他会员用户可用专
电子发烧友为您提供的传感器的组成和分类,什么是传感器传感器(英文名称:transducer/sensor)是一种检测装置,能感受到被测量的信息,并能将感受到的信息,按一定规律变换成为
光电传感器的构成 yhp0518456上传于2012-02-06|暂无评价|0|0|暂无简介|举报 阅读已结束,如果下载本文需要使用0下载券 下载 想免费下载更多文档?立即加入VIP 免下载券下载
光纤传感器组成与类型 企业1光纤接入|2012-09-03|暂无评价|0|0|简介|举报 光纤传感器组成与类型 你可能喜欢 您的评论*感谢支持,给文档评个星吧! 评论加载中. ©2018 Baidu |
注:本文由汽修宝典-孤云原创,如需转载请注明出处!一、氧传感器的作用(就是检测尾气中的含氧量,来确定混合气的浓度,并反馈给ECU)电喷车为获得