108.2小白机最新消息

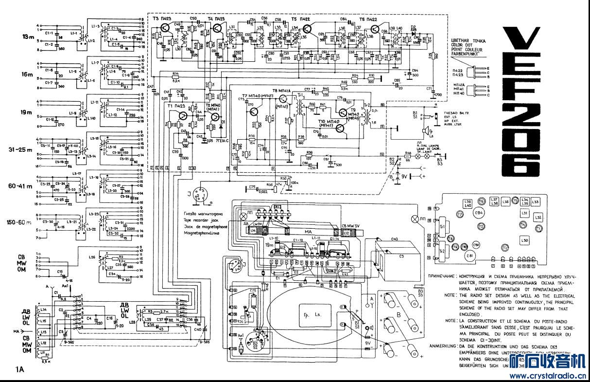
新人小白向各位大神求取苏联VEF206的电路图

新人小白向各位大神求取苏联VEF206的电路图

1214x785 - 236KB - JPEG

【108.2 SES-9 DISH HD小白机专用KU波段双

【108.2 SES-9 DISH HD小白机专用KU波段双

170x210 - 3KB - JPEG

小白高清正版机108.2度新天11号正版高清专用

小白高清正版机108.2度新天11号正版高清专用

350x350 - 43KB - JPEG

108.2小白机最新节目表: 本站是提供个人知识管理的网络存储空间,所有内容均由用户发布,不代表本站观点。如发现有害或侵权内容,请点击这里 或拨打24小时举报电话:40000

有没最新消息?是免费收看以前的小白节目? 对只有小白机可以看包括S01.D6机'大黑T 上个图看看,看来我的小白又可以复活了! 图不是上了么自己调108.2论坛寻星快乐大哥也

108.2小白机供应商怎么处理?我手头按了20多套出去了。供应商给的回答转星亚5 ,各地的小白机是怎么样处理的? 海南文昌户户通 发表于 2017-10-12 07:46:57 | 只看该作者 死

108.2小白机自上个月11101H组开锁那段时间起,寰宇的那10个台就一直显示加密频道。 不知道以后这几个台小白机还有机会解得开么?希望各位消息灵通的星友能解答一下。

辽宁丹东网友两天前在百度搜索“108.2小白机支持265吗”访问了本页 辽宁沈阳铁西网友两天前在360搜索访问了本页 云南曲靖陆良网友两天前在360搜索访问了本页 河北保

可以完美收视125C上的免费高清节目!即可以收视108.2KU,也可以当免费高清机使用。非常超值的一款入门机器,目前DISH HD直播已经转星至108.2KU卫星,使用该机可以接收

108.2小白机最新节目用什么高频头 我来答 108.2小白机最新节目用什么高频头 我来答 答题抽奖 首次认真答题后 即可获得3次抽奖机会,100%中奖。 更多问题 上春儿 来自健

108.2小白机和小黑D6机,南星机和亚南机之间的区别与联系 我来答 108.2小白机和小黑D6机,南星机和亚南机之间的区别与联系 我来答 答题抽奖 首次认真答题后 即可获得3次

108.2小白机和小黑D6机,南星机和亚南机之间的区别与联系保持摄像机联网。内存卡插入摄像机,开启循环录制模式。当内存满了,会自动覆盖先前视频,这样节省不少空间,通过

108.2星用什么高频头你可以参考以下摘录:最近经常在论坛上看到一些星友的询问——接收某颗星的KU节目,应该选择何种本振的KU高频头。众所周知,大部分卫星上都有C、

大家都在看

相关专题