
铅酸电池充电及保护器电路图
600x257 - 103KB - JPEG

一款能自动识别蓄电池极性带保护功能的充电器
1061x476 - 65KB - JPEG

汽车电瓶充电器电路板12v24vDIY蓄电池充电机
792x575 - 65KB - JPEG

图】汽车蓄电池充电器电路充电电路电路图维库
450x450 - 123KB - JPEG

一种铅酸蓄电池充电器的设计与制作 - 充电电路
737x529 - 97KB - JPEG

电子式汽车蓄电池充电机电路图
1181x564 - 341KB - JPEG

【图】镍镉电池充电器电路图电源电路
577x234 - 29KB - JPEG

图】镍氢电池充电器电路图充电电路电路图维库
580x443 - 154KB - JPEG

【图】碱性干电池充电器电路图(二)充电电路 电
647x647 - 217KB - JPEG

简易电池充电器电路图
492x473 - 82KB - JPEG

12V铅酸蓄电池充电电路图
516x357 - 22KB - JPEG

铅酸蓄电池充电器电路图
650x290 - 92KB - JPEG

蓄电池自动充电器电路原理图
1333x601 - 75KB - JPEG

【图】200mA,12V镍镉小时电池充电器充电电
740x386 - 26KB - JPEG

【图】摩托车用电瓶充电器原理电路图充电电路
507x266 - 40KB - JPEG
电大流充电,充滿后转入浮充电。并且平时与220V是断开的,只有检测到电瓶电压低于12V后,会自动吸合接入220V进行充电。中间不需要人为干预。电路
简单的蓄电池充电保护电路,Simplelead-acidbatterychargingprotectioncircuit 关键字:简单的蓄电池充电保护电路 简单的蓄电池充电保护电路 这里介绍一种+12V蓄电池充电时
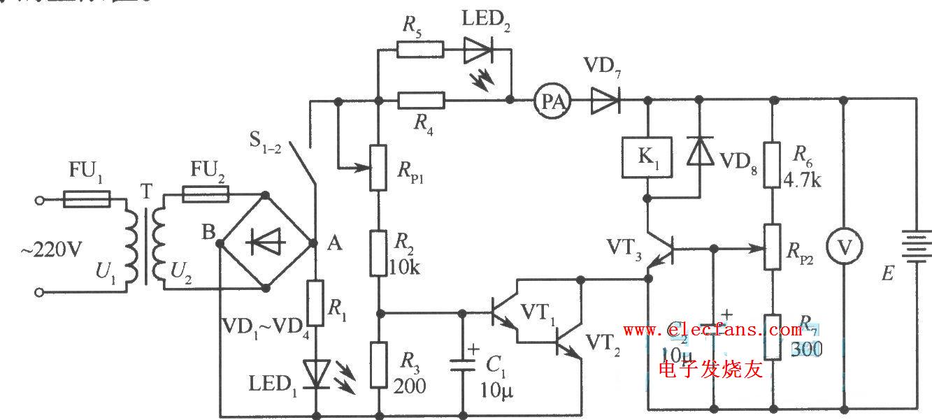
其次介绍了两个蓄电池智能充电器电路,最后介绍了制作12伏蓄电池充电器详细操作步骤 电路如图4—8所示。FU是短路保护管,LEDl为供电指示,
根据所接电阻不同可以控制充电最大电流。可以设计充电指示灯,可以设计充电温度即多少到多少度之间进行充电。 方法/步骤5: 充电保护电路,选择
自制实用铅蓄电池自动充电电路 大鹏799|2018-07-02 |举报 共享文档 共享文档是百度文库用户免费上传的可与其他用户免费共享的文档,具体共享方式由上传人自由设定。了解
则需调节RP和R2的阻值或VD2的稳压值。若安装电压转换开关,用8~15V的输入电压,调换有关元件,可实现对6~12V铅酸蓄电池充电。该电路简单易装。下图是印刷电路板安
调整完毕.使用:先接电瓶后接充电电源!充到14.4V时自动断开!本人使用非常精准的能在 是完全可以用可控硅代替的,发出来的目的是他简单,可以组入自己的电路里使用! 回复2
12V电池过充电保护电路,喜欢DIY电子的可以收藏下! 去下载 下载需先安装客户端 {clientText} 客户端特权: 3倍流畅播放 免费蓝光 极速下载 {ti
旧手机电池变废为宝自制带过放电保护锂电池手电电路图 ,欢迎来中国电子技术论坛交 把此电路与4.2V锂电池充电电路做一起,接上USB充电接口,就成一个Usb手电了,到处都
这里介绍一种+12V蓄电池充电时因过压的保护电路,如附图所示。图中的 A 、 B端外接充电器电路(这里未绘出)对+12V电池进行充电。图中的 Q1 、 D2 、 D1组成保护电路,其