西门子中国官网汽车制造行业频道为您提供最新最先进的汽车制造行业解决方案,汽车制造生产应用方案,了解更多的汽车制造行业应用方案请访问西门子汽车制造行业解决方案
2.行业知识:作为汽车行业的专家,西门子知悉汽车行业标准以及客户特定标准,从而可向客户提供高效的生产硬件、软件与网络架构支持服务,提高工厂的长期可用性、能源效率和
西门子MES汽车零部件行业方案概览 会员到期时间: 剩余下载个数: 剩余C币: 剩余积分:0 为了良好体验,不建议使用迅雷下载 VIP下载 您今日下载次数已达上限(为了良好下载体
西门子标准变频器在汽车玻璃加工行业中的应用doc西门子标准变频器在汽车玻璃加工行业中的应用西门子标准变频器在汽车玻璃加工行业中的应用摘要:在汽车玻璃
西门子工控展销网 西门子标准变频器在汽车玻璃加工行业中的应用 西门子变频器代理 本文主要是讲述西门子MICROMASTER420/440变频器在汽车玻璃加工的预处理工序中
本文为您解答西门子SICAR标准,更多关于自动化系统,SIMATIC S7-300(F)/S7-400(F/H/FH)的内容请继续关注西门子找答案! 注册登录 签到 每日登录:+1西币 +1积分我的支持中
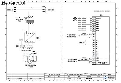
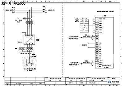
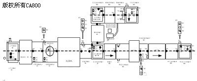
西门子MICROMASTER420/440标准变频器在汽车玻璃加工行业中的应用摘要:在汽车玻璃生产的预处理工序(玻璃成型前的工序)中,以线速度控制为基础;根据工艺要求,必须同步
可在汽车行业复制的自动化标准。 而这一切的实现都和MES系统的引入密不可分,施耐 西门子面向制造业的集成解决方案,帮助玛莎拉蒂树立汽车行
汽车工业在发动机和变速箱的制造中,使用西门子视像系统检测零部件,记录装配零件的制造日期。零部件供应商用它检测零件尺寸精度,校正汽车零
作为懒人界福音般的发明,世界上第一辆拥有专利权的汽车在1886年德国诞生,汽车的出现,使人与人之间的交流更加容易、便捷,人们的出行半径也更

西门子标准变频器在汽车玻璃加工行业中的应用
386x294 - 58KB - JPEG

西门子标准变频器在汽车玻璃加工行业中的应用
380x271 - 26KB - JPEG

西门子micromaster420\/440标准变频器在汽车
357x667 - 45KB - JPEG

西门子标准变频器在汽车玻璃加工行业中的应用
400x308 - 50KB - JPEG

西门子标准变频器在汽车玻璃加工行业中的应用
450x661 - 60KB - JPEG

西门子标准变频器在汽车玻璃加工行业中的应用
450x335 - 40KB - JPEG

西门子MICROMASTER420 440标准变频器在汽
400x277 - 21KB - JPEG

西门子MICROMASTER420 440标准变频器在汽
400x303 - 44KB - JPEG

西门子MICROMASTER420 440标准变频器在汽
400x282 - 21KB - JPEG

西门子标准变频器在汽车玻璃加工行业中的应用
450x339 - 41KB - JPEG

西门子标准变频器在汽车玻璃加工行业中的应用
450x335 - 41KB - JPEG

西门子标准变频器在汽车玻璃加工行业中的应用
460x190 - 30KB - JPEG

西门子MICROMASTER420 440标准变频器在汽
400x189 - 12KB - JPEG

西门子MICROMASTER420 440标准变频器在汽
400x165 - 13KB - JPEG

苏州西门子天台分公司获安全生产标准化二级企
358x520 - 35KB - JPEG