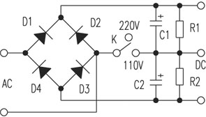
220v转110v 双向可控硅 电路图 滤波电容 杂谈 分类:电路 原理见图2,K断开时,电路是一般的全波整流电路。
20:40•次阅读 220V转正负(+-)12V电路图-原理图 发表于 2009-03-06 21:28•4437 次阅读
摘要:下面是[220v转110V电路图]的电路图 220v转110V电路图该电路的滤波原理见图2,K断开时,电路是一般的
220v转110电路图-该电路的滤波电容采用4个200V/470uF的电容串,并联成一个100V/470uF的电容,见图1。
硬件]110v电源改220v详细线路图HP_AW175EF3,附改动原理。变压器的问题可能你没有意识到。220-110变压器
京东JD.COM为您提供专业的220v转110v电路图哪款好的优评商品,从220v转110v电路图价格、220v转110v电路图
没看清楚,是110V直流. [综合]求两个用multisim设计的直流稳压电源电路图,一个是交流220V转直流5V,一个是

220V转110V66隔离变压器50W价格信息 - 007
3648x2736 - 304KB - JPEG

动开关-供应拨动开关 转换开关 220V转110V 2
310x247 - 16KB - JPEG

220v转110V电路图
403x295 - 20KB - JPEG

220转110V自耦环牛的问题
2048x1536 - 261KB - JPEG

220v转24v电路图-+电子发烧友网
696x269 - 44KB - JPEG

220V转110V;230V转115V转换开关
578x799 - 52KB - JPEG

110v节能灯电路原理图
532x259 - 9KB - PNG

开关电源110V\/220V两种输入电压的切换原理
295x168 - 23KB - JPEG

220V变110V电源转换器-南宁江南区家用电器
327x400 - 18KB - JPEG

【直流110V转交流380V三相电力专用正弦波逆
500x451 - 46KB - JPEG

AC-AC电源 220V转110V 2000W电源变压器 多
1920x1440 - 216KB - JPEG

其他电源电路:110V\/220V交流电压自动切换电
732x397 - 130KB - JPEG

隔离变压器_110v转220v变压器_12v变压器_ 旋
320x316 - 25KB - JPEG
![[平龙认]AC-DC 220V转12V 4W全隔离电源模块](http://imgx.xiawu.com/xzimg/i4/i2/15871018586301397/T1chv9XoRiXXXXXXXX_!!0-item_pic.jpg)
[平龙认]AC-DC 220V转12V 4W全隔离电源模块
1280x1200 - 321KB - JPEG

同时适应110v和220v的电源电路图
650x394 - 39KB - JPEG