
USB超溥有线巧克力键盘 超溥配原装键盘膜 键
1024x685 - 72KB - JPEG

USB超溥有线巧克力键盘 超溥配原装键盘膜 键
1024x685 - 71KB - JPEG

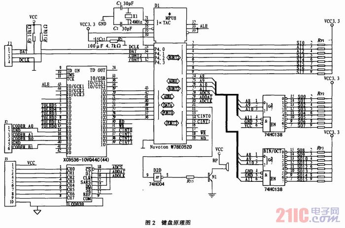
单片机实现数字化B超键盘设计--华强电子网*电
700x464 - 76KB - JPEG

【医疗按键|硅胶医疗硅胶按键|B超机键盘按键
210x210 - 9KB - JPEG

轻巧迷你又好用吸尘器~USB超迷你键盘吸尘器
608x478 - 24KB - JPEG

J00344迷你又好用~USB超迷你键盘吸尘器图片
310x310 - 16KB - JPEG

推车式三维彩超SS-500 全数字化双探头B超
600x374 - 56KB - JPEG

脑清洁专家 轻巧迷你超好用USB超迷你键盘吸
391x1024 - 93KB - JPEG

单片机实现数字化B超键盘设计_电子设计应用
700x464 - 76KB - JPEG

键盘-特价批发OEM DELL笔记本USB超溥键盘
621x463 - 55KB - JPEG

USB超迷你键盘吸尘器9元。淡雅小花文胸洗护
480x360 - 39KB - JPEG

键盘-2笔记本USB超溥键盘 笔记本键盘 -键盘尽
606x388 - 49KB - JPEG

键盘_键盘供货商_供应V730B超机键盘板_键盘
240x195 - 9KB - JPEG

防水键盘笔记本式B超诊断仪 高档豪华式B超机
310x310 - 13KB - JPEG

【2笔记本USB超溥键盘 笔记本键盘】
300x233 - 22KB - JPEG
从b超单上看性别图解?亲们说说看这个性别都是怎么看的呢?从B超图上是看不出宝宝的性别的,可以在孕4个多月
PRF 调整彩色脉冲重复频率即彩色量程范围 FILTER 滤波键 SECTOR 凸阵及相控阵探头扇扫角度调整
在线互动式文档分享平台,在这里,您可以和千万网友分享自己手中的文档,全文阅读其他用户的文档,同时,也
图解汽车原理与结构 汽车内部结构图解 键盘内部结构图 键盘结构图解汽车构造与原理 图解汽车原理 键盘图解
马可波罗网(makepolo.com)提供郑州恒锦莱科技有限公司相关企业介绍及产品信息主要以兽用b超图解为主,还
兽用B超行业应用:兽用b超图解6小时后应给营养丰富的流汁饲料,如肉汤泡大米饭,豆浆等,母犬的体质逐渐恢复
怎么使用键盘上PRINT SCREEN键【图解】,键盘上PRINTSCREEN键(拷屏键)常用来电脑屏幕截图或当前活动窗口
你好,根据你的叙述,你在B超报告单上看到的mindray的英文标示,是一个叫做“迈瑞”的全球医疗器械供应商,