
场输出电路:TDA8354Q
800x322 - 44KB - JPEG

【图】场输出电路:tda8354q模拟电路 电路图 维
800x322 - 30KB - JPEG

tda8354q应用电路图_集成电路资料_电子资料
800x322 - 34KB - JPEG

场输出电路:TDA8354Q
800x322 - 38KB - JPEG

内部方框图 - TDA8354Q场输出电路 -PDF,内部
574x493 - 39KB - JPEG

彩色显示器中应用时的测试数据 - TDA8354Q场
569x303 - 47KB - JPEG

【永盛电子】场块 TDA8354Q 质量保证 当天发
284x284 - 34KB - JPEG

IC型号TDA8354Q,【集成电路数据表TDA8354
826x1169 - 6KB - PNG

【永盛电子】场块 TDA8354Q 质量保证 当天发
263x284 - 16KB - JPEG

【永盛电子】场块 TDA8354Q 质量保证 当天发
284x284 - 87KB - JPEG

【永盛电子】场块 TDA8354Q 质量保证 当天发
284x284 - 100KB - JPEG

采用TDA8354组成的场输出电路 -广电电器网-
481x363 - 40KB - JPEG

【永盛电子】场块 TDA8354Q 质量保证 当天发
284x284 - 22KB - JPEG

【tda8354q】最新最全tda8354q搭配优惠
220x220 - 58KB - JPEG

TDA8354Q 特价原装进口 TDA8354Q 场输出集
720x538 - 133KB - JPEG
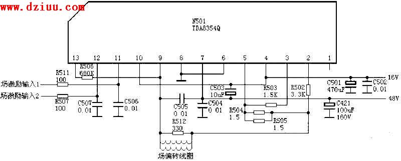
该电路摘自金星D2908F 1脚:0.3V—2脚:7.9V—电流反馈输进 3脚:8.4V—电压变换输进 4脚:16V—电源 5脚:
场输出电路:TDA8354Q,-充电电路图-电子产品世界 关键词:输出 TDA8354Q 分享给小伙伴们: 新闻 研讨会
场输出电路:TDA8354Q,-模拟基础电路图-电子产品世界 该电路摘自金星D2908F 1脚:0.3V―― 2脚:7.9V――
相关元件PDF下载:TDA8354Q 该电路摘自金星D2908F 1脚:0.3V—2脚:7.9V—16V—电源 5脚:8.4V—电压输出端
TDA8354Q电路图引脚功能说明 该电路摘自金星D2908F 1脚:0.3V— 2脚:7.9V—5脚:8.4V—电压输出端(下)
IT计算机-开发文档 文档标签:TDA8354Q场扫描功放典型应用电路图 电路图 电压 电源 扫描 应用 输出
TDAQ场扫描功放典型应用电路图该电路摘自金星DF脚:V脚:V电流反馈输入脚:V电压变换输入脚:V电源脚:V电压输出
TDA8354Q引脚功能及维修数据参考说明 脚号 电压/V 红笔测K 黑笔测K 功能4 15 0.4 0.5 场供电B 5 7.5 7.2 9
场输出集成电路TDA8350Q和TDA8354Q皆为飞利浦公司生产的新型产品,适用于具有I2C总线控制功能的大屏幕彩电中