
光敏电阻及亮通开关电路图
514x408 - 85KB - JPEG

怎样用几个光敏电阻与lm339的组合
464x341 - 49KB - JPEG

【图】光敏电阻可组成桥式光电检测器电路图光
426x360 - 63KB - JPEG

光敏电阻闪光警灯电路图-电子电路图,电子技术
511x689 - 127KB - JPEG

光敏电阻(ldr)的光控开关电路图
700x280 - 26KB - JPEG

光敏电阻原理-电子电路图
463x399 - 39KB - JPEG

2N2926与光敏电阻组成的报警器电路图
771x494 - 65KB - JPEG

使用光敏电阻的光电烟火报警器电路图
331x374 - 25KB - JPEG

【图】光敏电阻延时节电开关电路开关电路 电
1704x713 - 284KB - JPEG

【图】基于光敏电阻的亮度自动调节台灯电路图
505x226 - 17KB - JPEG

(2008.株洲)(12分)光敏电阻的阻值随光照射的强
394x286 - 6KB - JPEG

光敏电阻符号识别及应用电路
534x353 - 30KB - JPEG

光敏电阻响应时间研究-电子电路图,电子技术资
386x318 - 22KB - JPEG

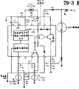
自动开\/关电路(Rph为光敏电阻)
680x534 - 123KB - JPEG

光敏二极管的基本应用电路(光信号放大、开关
1481x513 - 42KB - JPEG
光敏电阻(photoresistor or light-dependent resistor,后者缩写为ldr)或光导管(photoconductor),常用
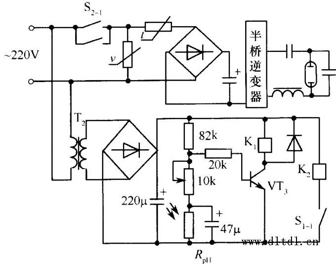
方案二中以光敏电阻为核心元件的带继电器控制输出的光控开关电路有许多形式,如自锁亮激发、暗激发及精密亮
如图所示是一种简易的调节4.7M Ω 电位器,可适用于不同型号的光敏电阻及在一定的条件(黑暗程度)下亮灯。
1、光敏电阻调光电路 图1是一种典型的光控调光电路,其工作原理是:当周围光线变弱时引起光敏电阻RG的阻值
光敏电阻原理 光敏电阻的工作原理 光敏电阻闪光警灯电路图_电路图 光敏电阻电路图:电路原理煤气炉熄 光敏
2kQ的电阻与Cds光敏电阻串联后接3V电源,当有光照时(白天)光敏电阻Cds阻值变小(串联电路中电压的分配与电阻
本文主要介绍了光敏电阻光控灯电路图大全(太阳能/晶闸管/光控开关)。光敏电阻RG白天电阻很小,向电容C3