
数据中心能源白皮书(五):隔离变压器在UPS中的
464x222 - 27KB - PNG

隔离变压器在开关电源维修中的应用_维修基础
530x316 - 33KB - JPEG

【隔离变压器的作用 上海勇达电器帮你解决图
800x600 - 69KB - JPEG

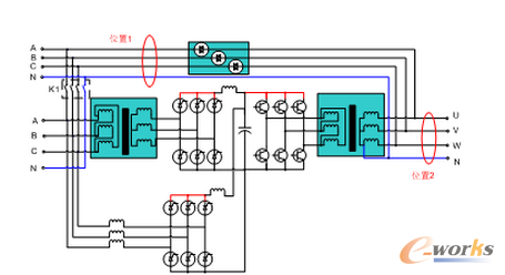
隔离变压器的作用装修图片_隔离变压器的作用
500x230 - 19KB - JPEG

【深圳市港特科技有限公司隔离变压器用于UP
1000x920 - 91KB - JPEG

货直销SBK-30KVA 380v\/380三相隔离变压器-
600x450 - 43KB - JPEG

数据中心能源白皮书(五):隔离变压器在UPS中的
455x248 - 47KB - PNG

工频机ups输出变压器的真正作用 - chinaaet电
459x201 - 16KB - JPEG

隔离变压器图片|隔离变压器样板图|隔离变压器
670x502 - 36KB - JPEG
![[图]单相UPS隔离变压器,维库电子市场网](http://file1.dzsc.com/product/14/06/29/659128_062403781.jpg)
[图]单相UPS隔离变压器,维库电子市场网
600x600 - 38KB - JPEG

诺斯汀SG-2200VA三相隔离变压器图片
750x600 - 42KB - JPEG

隔离变压器作用
893x2000 - 10KB - PNG

220V变100V 降压隔离多用途稳压变压器。和0
800x738 - 62KB - JPEG

三相隔离变压器的作用有哪些-隔离变压器的作用
800x636 - 145KB - JPEG

隔离变压器性质原理
900x600 - 207KB - JPEG
隔离变压器是指输入绕组与输出绕组带电气隔离的变压器,隔离变压器用以避免偶然同时触及带电体,变压器的
展开全部 隔离变压器的作用如下: 隔离变压器的主要作用是:使一次侧与二次侧的电气完全绝缘,也使该回路
【隔离变压器,隔离变压器放哪,安全隔离变压器,隔离变压器的作用】隔离变压器的作用是什么?该在什么时候
隔离变压器的一般用途如以下几点: 1、防止系统接地的作用:当隔离变压器负荷侧发生单相接地时,不会造成
当人们在进行使用的时候,都想要知道隔离变压器的作用问题,同时隔离变压器的工作原理是什么也是要知道的,
电子发烧友为您提供的隔离变压器的作用,隔离是指变压器原副边绕线圈之间是电绝缘的。变压器的隔离是隔离原
因为隔离变压器的电动势是通过二次感应获得,与一次侧(与大地形成回路)不隔离变压器主要的作用是将用电设备
在线互动式文档分享平台,在这里,您可以和千万网友分享自己手中的文档,全文阅读其他用户的文档,同时,也