电压只有去路没有回路,电流才有回路。电压就是两个点电势差值,不需要什么回路的,习惯叫法除外一般的,称
回路是电学的一个基本概念。它一般指由电源、电键、用电器等构成的电流通路。
在高低压配电柜中,电流回路和电压回路是分开的,电流是用电器所耗的电量.电压是在线路中电的配压,两者是
电流回路就是:电流从电源的正极流出,通过用电器,对用电器作功,作完功后再丛电源负极流入,这样旧形成了
电流回路就是:电流从电源的正极流出,通过用电器,对用电器作功,作完功后电压表是并接在电源上,测量电压
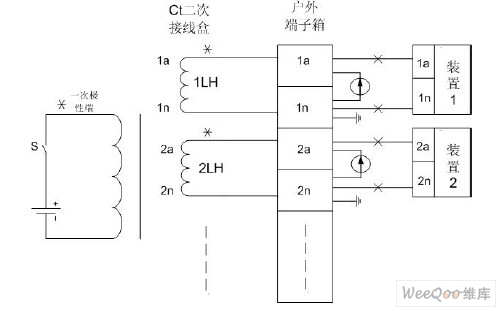
一 电流 回路 以一组保护用电流回路为例,结合上一章的编号,A相第一个绕组头端与尾端编号1A二、电压 回路
为什么要分电流回路和电压回路 为什么要分电流回路和电压回路在高低压配电柜中,电流回路和电压回路是分开的
回路,二次回路依电源及用途可分为电流回路、电压回路、操作回路和信号回路。用以控制、保护、调节、测量和

电网电力调度控制中心通信机房管理实施细则免
345x255 - 20KB - JPEG

【6回路交流电流1回路交流电压监测仪】
400x300 - 8KB - JPEG

110kV进线及主变电流电压二次回路图免费下载
303x236 - 18KB - JPEG

电压电流校准仪-回路校准器 电压电流校准仪 回
500x500 - 29KB - JPEG

试用回路电流法求电流I和电压源发出的功率.
705x365 - 29KB - PNG

【仪表最新专利】多电压多电流回路交流电表_
364x350 - 24KB - JPEG

XMT- 双回路数显表双通道电压表电流表温度湿
750x403 - 97KB - JPEG

电流电压回路校验仪优质供应商电流电压回路校
782x800 - 64KB - JPEG

天津电流回路校验仪和电压电流回路校验仪多少
200x228 - 8KB - JPEG

电能计量柜电能表电流电压输入回路原理图纸_
610x432 - 28KB - JPEG

多回路交流表多回路交流电压表6回路交流电流
323x305 - 8KB - JPEG

单相电子式防窃电电度表有哪些应用? _ 路由器
300x211 - 10KB - JPEG

220kV& 新站电流二次回路验收方法的改进,解
502x311 - 39KB - JPEG

电流回路防止方法工艺资料,电流回路低电压大
300x300 - 17KB - JPEG

NETX-2015高精度电流电压回路校验仪-高精度
400x400 - 18KB - JPEG