
单片机stc89c52最小应用系统的原理图?
500x421 - 36KB - JPEG

求stc89c52rc单片机最小系统电路图。_360问
437x356 - 53KB - PNG

简单介绍STC单片机开发板制作步骤
410x464 - 54KB - JPEG

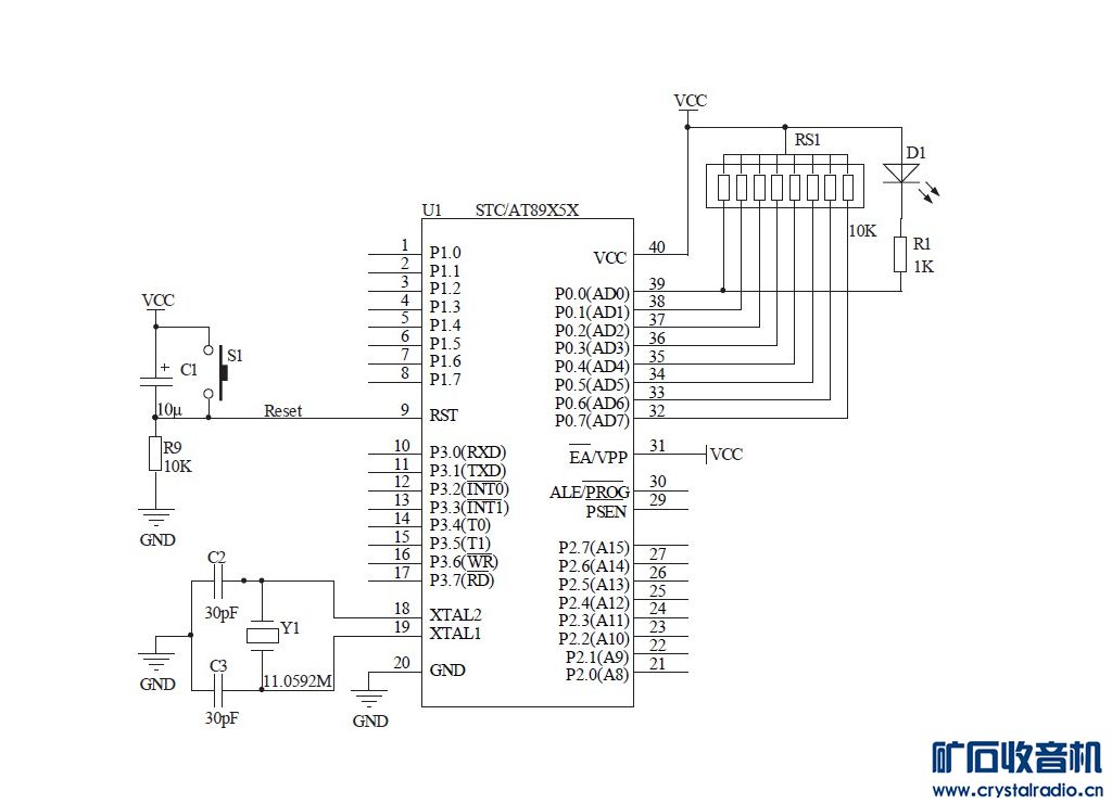
STC89C52\/51单片机开发板AT89S52最小系统
300x225 - 38KB - JPEG

stc12c5a60s2开发板_stc12c5a60s2最小系统_
800x800 - 209KB - JPEG

AT89C、STC89C51\/52\/54\/58单片机最小系统
900x800 - 163KB - JPEG

集成电路(IC)-STC89C52RC-40I-PDIP40最小系
400x269 - 49KB - JPEG

【专营进口原装STC 单片机STC90C52AD-40
280x210 - 13KB - JPEG

stc89c52最小系统
638x835 - 75KB - JPEG

STC89C52单片机最小系统问题 - 〓电脑与单片
1024x741 - 73KB - JPEG

求stc89c52rc单片机最小系统电路图。
600x552 - 36KB - JPEG

STC51单片机最小系统电路
841x513 - 112KB - JPEG

AT89S\/STC51_52最小系统51单片机学习开发
738x553 - 173KB - JPEG

为什么我焊的stc单片机最小系统下载不了
757x547 - 101KB - JPEG

单片机stc89c52最小应用系统的原理图?
450x330 - 45KB - JPEG
STC80C52RC.为那些不想买开发板而想学单片机的吧友谋福利。上电路图一张,不清,是去协会拍的。下次想办法
专业文档是百度文库认证用户/机构上传的专业性文档,文库VIP用户或购买专业文档下载特权礼包的其他会员用户
内容提示:基于STC89C52单片机最小系统的设计 文档格式:DOC|浏览次数:5563|上传日期:2014-04-12 03:14:
80c52单片机最小系统:包含了一个完整的原理图和PCB设计方案。单片机最小系统元器件及封装形式清单:1.80C
下面是[80C52单片机的最小系统电路图]的电路图本设计使用的最小系统板是以80C52 单片机为内核,并且具有
自己动手做了一个STC89C52 单片机最小系统 板,下面是实物图!下面是原理图,拿最后介绍了51单片机最小系统.
扩展:89c52单片机最小系统/52单片机最小系统/80c52单片机最小系统 篇二:单片机最小单片机最小系统介绍
司的 89C51/89S51 系统,宏晶公司的 STC89C52.STC89C52最小系统 STC89C52单片机最小系统 介绍 单片机最小
一键搜索VIP免费文档 立即购买 文库App随时阅读 电脑端的便捷下载 使用文库App可享受