
6168号任务---软件门户网页效果图(PSD\/2页) 中
1024x640 - 411KB - JPEG

【图】自己动手安装铁将军6168防盗器---过程
640x480 - 64KB - JPEG

【艾美奔涛系列PT6168-SS002-131主页】经典
300x450 - 122KB - PNG

【加装了铁将军6168防盗器】_新赛欧论坛
700x524 - 45KB - JPEG

Adidas Ultra Boost 4.0 BB6168 阿迪达斯 四代
800x600 - 78KB - JPEG

杨蓉壁纸 1600x1200 图片编号:6168-194921
1600x1200 - 857KB - JPEG

杨蓉壁纸 1600x1200 图片编号:6168-194927
1600x1200 - 836KB - JPEG

【图】自己动手安装铁将军6168防盗器---过程
400x300 - 29KB - JPEG

真标正品Adidas Ultra Boost 4.0 BB6168 阿迪达
240x240 - 39KB - JPEG

st UB4.0 男女纯白德国马牌4代Boost跑鞋 BB6168
500x334 - 36KB - JPEG

CW6163、CW6168 机床配件大连 沈阳 机床厂
1024x768 - 124KB - JPEG

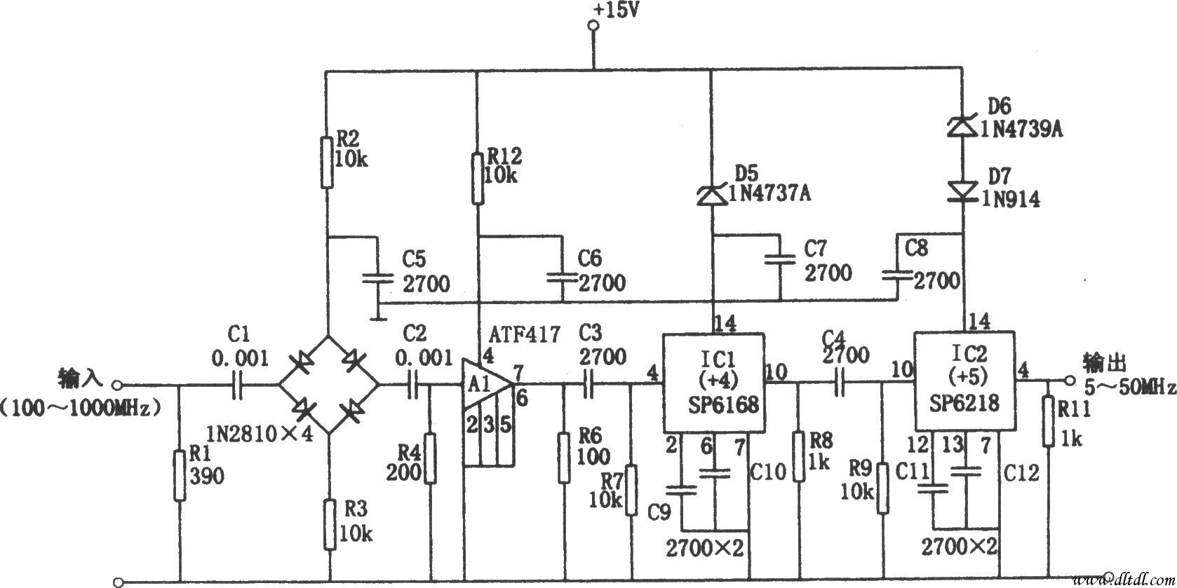
sp6168构成的1ghz前置分频器
1678x839 - 149KB - JPEG

中央城意大利美食节24日来袭 绝版好房6168元
550x344 - 52KB - JPEG

真爆真标 UB4.0 BB6168 阿迪Adidas Ultra Boo
500x375 - 55KB - JPEG

自己动手安装铁将军6168防盗器---过程是曲折
400x300 - 30KB - JPEG
ZOL手机版提供爱普生L6168系列所有单品的型号、报价、配置、评测、行情、图片、论坛、点评、视频、驱动下载
爱普生墨仓式L6168 A4全新彩色商用多功能一体机 自墨仓式诞生以后,“彩色打印需求旺盛”与“资金预算不足
天极产品库提供爱普生L6168最新报价、参数、图片信息,爱普生L6168的评测文章,解答爱普生L6168疑问,并对
爱普生L6168怎么样是广大网友一直关注的问题,中关村在线为您提供来自各方网友的关于爱普生L6168好不好,
京东是国内专业的爱普生L6168网上购物商城,本频道提供爱普生L6168商品价格报价、多少钱等信息,为您选购
ZOL中关村在线爱普生L6168多功能一体机参数提供最全的爱普生L6168参数、爱普生L6168规格、爱普生L6168性能
实验初中部2014-2015学年度第一学期期末考试初二年级英语试卷.pdf,深圳最专业的中考资讯网2014-2015学年度
千里马招标采购网>广东招标网>中山招标网:中山大学爱普生EpsonL6168彩色喷墨打印机:待竞价详细
爱普生L6168驱动工具是爱普生L6168打印机的专属驱动,如果您的打印机和电脑连接不上或者连接不稳定合一下载